MG1633 Einsteckschloss mit Türdrücker
Kostenvoranschlag erhalten
Dieses Produkt wurde eingestellt und aus unseren Regalen entfernt.
MG1633 Einsteckschlösser haben keinen Schlüssel. Sie können mit einer Münze von innen geschlossen und von aussen geöffnet werden . Die Falle ist aus POM und einer Zinklegierung, was eine gute Schalldämpfung ermöglicht. Die Klinken sind aus Holz und einer Aluminiumlegierung, die Oberflächen wurden elektroplattiert und gefärbt, wodurch sie eine hochwertige Farbhaftung, Korrosionsbeständigkeit und Dauerhaftigkeit aufweisen. Die Farben des Schlosses können kundenspezifisch angepasst werden.
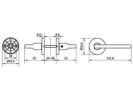
Abmessungen
Einzelteile
| No. | Name | No. | Name |
| 1 | Schlossgehäuse | 8 | Innendrücker |
| 2 | Frontplatte | 9 | Halteschraube Drücker |
| 3 | Falle | 10 | Halteschraube Platte |
| 4 | Riegel | 11 | Aussenknauf |
| 5 | Äussere Rosette | 12 | Innenknauf |
| 6 | Innere Rosette | 13 | Schliessplatte |
| 7 | Aussendrücker | 14 | Zarge |
Einbauvorschriften
- Stellen Sie die Richtung der Türöffnung fest. Stecken Sie das Schlossgehäuse in den Ausschnitt und stellen Sie sicher, dass die Falle oben und der Riegel unten ist. Stellen Sie sicher, dass die abgeschrägte Seite der Fallen in Richtung des Türrahmens zeigt. (Falls die Richtung nicht korrekt ist, nehmen Sie die Falle aus dem Gehäuse, drehen Sie sie um 180͒ und stecken Sie ihn zurück in das Gehäuse.
- Bauen Sie die Rosetten ein und ziehen Sie die Schrauben fest. Stecken Sie den Schließzylinder in das Einsteckloch. Nutzen Sie die innere Klinke, um die Querstange durch das Loch des Gehäuses zu stecken.Ziehen Sie danach die Schraube fest.
- Bauen Sie den Außen- und Innenknauf ein und ziehen Sie die Schrauben fest. Verbinden Sie den Schließzylinder durch das Loch in der inneren Platte mit der äußeren Platte. Verschrauben Sie den Schließzylinder mit dem Frontschutz.
- Bauen Sie die Schliessplatte und den Stulp an der entsprechenden Stelle im Türrahmen ein und stellen sie sicher, dass sich die Falle und der Riegel korrekt bewegen können. Anmerkung: 8.5mm Toleranz zwischen der Schliessplatte und dem Schlossgehäuse
- Test nach Einbau: Ziehen und drücken Sie an der Türklinke und drücken Sie dabei die Falle in Schließrichtung. Sie sollte sie frei bewegen können. Falls nur auf auf die Falle Druck ausgeübt wird, ohne gleichzeitig die Klinken zu benutzen, bleibt sie in Position.Wenn die Falle frei beweglich ist, ist der Einbau abgeschlossen. Wenn nicht, beginnen Sie den Einbau erneut.

