Schwalbenschwanz-Schienenträger

Schwalbenschwanz-Schienenträger
Kostenvoranschlag erhalten

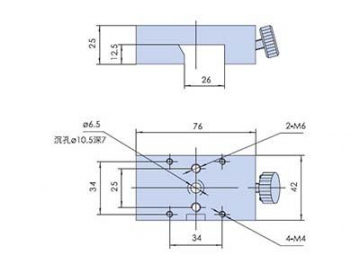
Die Schwalbenschwanz-Schienenträger können zusammen mit den Gleitführungen verwendet werden. Die Oberseite des starren Verriegelungsknopfs besteht aus Kunststoff, ohne den optischen Tisch zu beschädigen. Die Schiebesitze mit unterschiedlichen Breiten passen zu unterschiedlichen Abständen. Der Schiebesitz kann horizontal eingestellt werden. Die Verschiebung wird durch eine extra feine Gewindeschraube vorangetrieben.

Eigenschaften
  • Die Struktur der Schwalbenschwanz und die Gleitführung der OR-Serie sorgen für einfache Verschiebung der Träger und eine gute Wiederholbarkeit.
  • Die Oberseite des starren Verriegelungsknopfs besteht aus Kunststoff, ohne den optischen Tisch zu beschädigen.
  • Die Schiebesitze mit unterschiedlichen Breiten passen zu unterschiedlichen Abständen.
  • Der Die Verschiebung wird durch eine extrafeine Gewindeschraube M6x0,25 vorangetrieben. Die lineare Führungsschiene ist hochpräzis.
  • Wegen der Zurücksetzung durch die Feder verfügen die Schwalbenschwanzschienenträger über hohe Präzision und Stabilität.
WN01HK
WN02HK
WN03HK
WN04HK
Verwandte Produkte
Nachricht hinterlassen
Andere Produkte
Nachricht schicken
Nachricht schicken