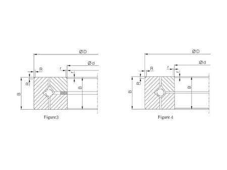
Kegelrollenlager mit gekreuzten Wälzkörpern / Kreuzrollenlager
Kostenvoranschlag erhalten
- Außendurchmesser: 230mm~2819.4mm
- Nennlast: 95kN~18200kN
Die Kegelrollenlager mit gekreuzt angeordneten Wälzkörpern sind Kegelförmig und optimieren dadurch die Rotationsgeschwindigkeit und reduzieren gleichzeitig Reibungen beim Betrieb.
AnwendungsbereicheKegelrollenlager mit gekreuzten Wälzkörpern werden eingesetzt, wenn die Rotationsgeschwindigkeit verbessert und das Rotationszentrum der Masse niedriger werden soll. Sie werden in Maschinenzentren, vertikalen Schleifmaschinen, Fräswalzen, Schalttellermaschinen, vertikalen Werkbänken, Zahnradfräsmaschinen, Revolverdrehbänken, Radioteleskopen, Industirerobotern etc. eingesetzt.
Tags
Verwandte Produkte
Nachricht hinterlassen
Andere Produkte
Aktuellste
Andere Produkte
Video

