Manueller Lineartisch WN115TM75L

Manueller Lineartisch WN115TM75L
Kostenvoranschlag erhalten

Dieses Produkt wurde eingestellt und aus unseren Regalen entfernt.

Die manuellen Lineartische WN115TM75L eignen sich für die manuelle horizontale Verschiebung in der wissenschaftlichen Forschung, der automatischen Messung und Prüfung.

Das Produkt hat eine große Antriebskraft. Die Position kann durch die schrägverzahnte Zahnstange eingestellt werden.

Spezifikationen
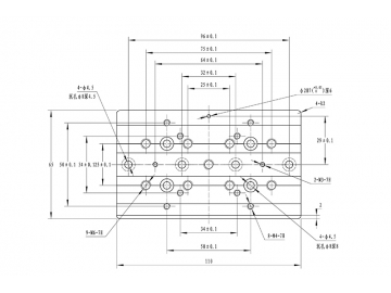
Modell  Tischgröße Bewegungsposition Stellweg Kleinste Skala Minimale inkrementelle Bewegung Belastungsfähigkeit Geradheit  Parallelität des Tisches  Parallelität beim Betrieb  Gewicht 
WN115TM75L 110mm×65mm Mittenantrieb 75mm 0.02mm 10μ 20kg 30μ 50μ 40μ 0.85kg
Eigenschaften
  • Das Produkt verfügt über eine Duraluminiumstruktur zum geringen Gewicht. Die Oberfläche wird schwarz eloxiert.
  • Unter Verwendung der Schwalbenschwanzführung verfügt das Produkt über hat hohe Belastungsfähigkeit.
  • Die Drehknöpfe drehen sich auf beiden Seiten flexibel und können nach dem Kundenwunsch verlängert werden.
  • Unter Verwendung von Vernier ist die lineare Verschiebung zu lesen und einzustellen.
  • Die Löcher zum Zusammenbau werden auf dem Sockel und dem Tisch mit dem Standardabstand verteilt, so dass der Lineartische günstig zu montieren und zu kombinieren sind.
  • Die lineare Skala kann zum Anzeigen der inkrementelle Mikro-Bewegung hinzugefügt werden.
Verwandte Produkte
Nachricht hinterlassen
Andere Produkte
Nachricht schicken
Nachricht schicken