MPD1611 Türklinke mit Schloss
Kostenvoranschlag erhalten
Eigenschaften
Diese Einsteckschlösser funktionieren ohne Schlüssel und eignen sich besonder für Situationen, in denen Türen nicht verschlossen werden sollen oder müssen. Das Gehäuse besteht aus POM Kunststoff und der Riegel wird aus POM Kunststoff und Edelstahl gefertigt. So sind gutes und geräuschloses Verschließen garantiert. Diese Beschläge sind schick und elegant. Die Oberflächenbehandlung führen wir mit japanischer Technologie durch. Verschiedene Produktprüfungen nach JIS Standard gewährleisten gutes Aussehen, lange Haltbarkeit und präzise Strukturen.
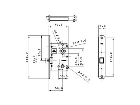
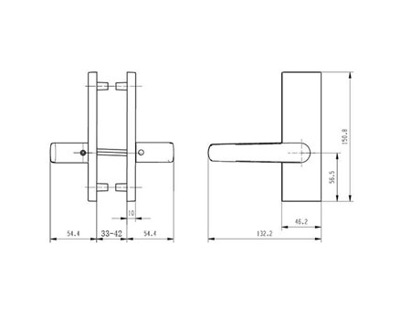
Abmessungen
Einzelteile
| Nr. | Name | Nr. | Name |
| 1 | Innendrücker | 6 | Außendrücker |
| 2 | Schraube | 7 | Beschlag Schließzylinder |
| 3 | Innenbeschlag Türklinke | 8 | Schließblech |
| 4 | Schließzylinder | 9 | Feststellschraube |
| 5 | Außenbeschlag Türklinke |
Einbauvorschriften
Details
Verwandte Produkte
Nachricht hinterlassen
Andere Produkte
Aktuellste
Andere Produkte
Video

