Rücklauffilter
Kostenvoranschlag erhalten
Rücklauffilter werden für die Feinfilterung von Hydrauliksystemen eingesetzt. Sie filtern solide Verunreinigungen aus dem Öl und schützen alle hydraulischen Bauteile vor Abnutzung durch Schmutzpartikel, wie z.B. Fasern, Schlamm, Gummipartikel von Dichtungsringen und Metallpartikel.
Eigenschaften
- Die Rücklauffilter können direkt am Öltank oder der Pipeline montiert werden.
- Diese Rücklauffilter nutzen eine Verschmutzungsanzeige und Umleitungsventile und erhöhen so Sicherheit und Zuverlässigkeit der Hydrauliksysteme. Sobald der Durchflussdruck 0.35Mpa erreicht wird (Schmutz im Filterelement, Pulsation oder niedrige Temperatur der Hydraulikflüssigkeit), sendet die Verschmutzungsanzeige ein Warnsignal aus. Wird der Filter nicht gereinigt oder ausgetauscht, öffnet sich das Umleitungsventil automatisch (Öffnungsdruck: 0.4MPa).
- Glasfaserfilter sind effizient, ermöglichen guten Durchfluss, niedrigen Druckverlust und können viel Schmutz festhalten. Die Filterung ist effizient und gleichmäßig (ISO Standard: Filterrate β: 3, 5, 10, 20 >200; Filterleistung n≥99.5%)
Technische Angaben
- Durchflussgeschwindigkeit: 60L/min;
- Betriebsdruck: 0.7MPa;
- Öffnungsdruck des Umleitungsventils: 0.25MPa;
- Filterrate: 20um
Modelleigenschaften
| Filtermodell | Nominal Durchflulssgeschwindigkeit (L/min) | Filterrate (μm) | Durchmesser (mm) | Druckverlust(MPa) | Verschmutzungsanzeige | Gewicht(Kg) | Filterelementmodell | ||
| Initial | Max. | (V) | (A) | ||||||
| RF-60×*L- | 60 | 1 3 5 10 20 30 | 20 | ≦0.07 | 0.35 | 12 24 36 220 | 2.5 2 1.5 0.25 | 0.4 | HL0060R*BN/HC |
| RF-110×*L- | 110 | 0.9 | HL00110R*BN/HC | ||||||
| RF-160×*L- | 160 | 40 | 1.1 | HL001600R*BN/HC | |||||
| RF-240×*L- | 240 | 1.8 | HL00240R*BN/HC | ||||||
| RF-330×*L- | 330 | 50 | 2.3 | HL00330R*BN/HC | |||||
| RF-500×*L- | 500 | 3.2 | HL00500R*BN/HC | ||||||
| RF-660×*L- | 660 | 80 | 4.1 | HL00660R*BN/HC | |||||
| RF-850×*L- | 850 | 13 | HL00850R*BN/HC | ||||||
| RF-950×*L- | 950 | 90 | 20 | HL00950R*BN/HC | |||||
| RF-1300×*L- | 1300 | 100 | 41.5 | HL001300R*BN/HC | |||||
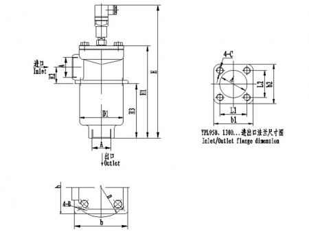
Anschlüsse
| Modell | Maße(mm) | ||||||||||||||
| B1 | L | L1 | h | D1 | H | D | d | M | B | M1 | t1 | m | t3 | DN | |
| RF-60×*L- | 90 | 166 | 92 | 11 | φ80 | 34 | φ100 | φ5.5 | M27×2 | 48 | M27×2 | 16 | |||
| RF-110×*L- | 233 | 159 | M33×2 | M33×2 | |||||||||||
| RF-160×*L- | 120 | 209 | 120 | 11 | φ106 | 40 | φ135 | φ7 | M48×2 | 66 | M48×2 | 20 | |||
| RF-240×*L- | 268 | 179 | M48×2 | M48×2 | |||||||||||
| RF-330×*L- | 152 | 271 | 138 | 13 | φ135 | 63 | φ170 | φ9 | M60×2 | 85 | M60×2 | 27 | |||
| RF-330×*F- | M60×2 | M12 | 23 | φ50 | |||||||||||
| RF-500×*F- | 351 | 218 | |||||||||||||
| RF-660×*F- | 411 | 243 | 13 | φ175 | 83 | φ220 | φ13.5 | 110 | M16 | 22 | φ80 | ||||
| RF-850×*F- | 492 | 324 | |||||||||||||
| RF-950×*F- | 449 | 251 | 14 | φ208 | 93 | φ290 | φ17.5 | 135 | 22 | φ90 | |||||
| RF-1300×*F- | 573 | 332 | 121 | 145 | φ100 | ||||||||||
Ähnliche Produkte

