In-Line Rückschlagventil, vertikale oder horizontale Montage
Kostenvoranschlag erhalten
- Betriebsdruck: 250 PSI
- Temperaturbereich: von -40 °F bis 450°F (von -40℃ bis 230℃)
- Abreißdruck: 3 PSI
- Anwendung: Schlauchsysteme im Luftkompressor, Wasserversorgung oder Ölindustrie
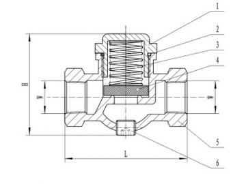
| Pos. | Bauteil | Material |
| 6 | Stopfen | Messing |
| 5 | Gehäuse | Bronze |
| 4 | Dichtung | PTPF |
| 3 | Feder | Edelstahl |
| 2 | O-Ring | HNBR |
| 1 | Verschlusskappe | Messing |
| Bestellnr. | Größe | W | L | H | ||
| In. | mm | In. | mm | |||
| 1/8'' | 1/8 | 1.75 | 44.45 | 1.63 | 41.40 | |
| 1/4'' | 1/4 | 1.75 | 44.45 | 1.63 | 41.40 | |
| 3/8'' | 3/8 | 2.19 | 55.63 | 1.88 | 47.75 | |
| 1/2'' | 1/2 | 2.50 | 63.50 | 2.13 | 54.10 | |
| 3/4'' | 3/4 | 2.88 | 73.15 | 2.50 | 63.50 | |
| 1'' | 1 | 3.50 | 88.90 | 2.88 | 73.15 | |
| Pos. | Bauteil | Material |
| 9 | Stopfen | Messing |
| 8 | Gehäuse | Bronze |
| 7 | Ventileinsatz | Bronze |
| 6 | Dichtung | PTPF |
| 5 | Dichtungsstütze | Messing |
| 4 | Mutter | Messing |
| 3 | Feder | Edelstahl |
| 2 | O-Ring | HNBR |
| 1 | Verschlusskappe | Messing |
| Bestellnr. | Größe | W | L | H | ||
| In. | mm | In. | mm | |||
| 1/4'' | 1/4 | 2.19 | 55.63 | 2.38 | 60.45 | |
| 3/8'' | 3/8 | 2.38 | 60.45 | 2.52 | 64.01 | |
Verwandte Produkte
Nachricht hinterlassen
Andere Produkte
Aktuellste
Andere Produkte
Video