90mm 90W Motor mit Drehzahlregler
Kostenvoranschlag erhalten
Motoreigenschaften
| Modell | Ausgangsleistung W | Spannung V | Frequenz Hz | Drehzahlbereich r/min | Akzeptieres Drehmoment | Anlaufmoment mN.m | Strom A | Kondensator μF | |
| 1200r/min m N.m | 90r/min mN.m | ||||||||
| | 90 | 1ph 100 | 50 | 90~1400 | 710 | 230 | 405 | 1.55 | 25.0 |
| 60 | 90~1700 | 260 | 1.85 | ||||||
| | 90 | 1ph 110 | 60 | 90~1700 | 710 | 230 | 410 | 1.40 | 20.0 |
| 1ph 120 | 1.45 | ||||||||
| | 90 | 1ph 220 | 50 | 90~1400 | 710 | 230 | 410 | 0.72 | 5.0 |
| 1ph 230 | 0.70 | ||||||||
| | 90 | 1ph 220 | 60 | 90~1700 | 710 | 260 | 410 | 0.71 | 5.0 |
| 1ph 230 | 0.75 | ||||||||
Getriebemotor - DrehmomentübersichtAkzeptierte Drehmomenteinheit: N.m
| Typ Motor/Getriebekopf | Übersetzungsverhältnis | 7.5 | 9 | 12.5 | 15 | 18 | 25 | 30 | 36 | 50 | 60 | 75 | 90 | 100 | 120 | 150 | 180 | ||
| Geschwindigkeit r/min | 50Hz | 200 | 166 | 120 | 100 | 83 | 60 | 50 | 41 | 30 | 25 | 20 | 16 | 15 | 12 | 10 | 8 | ||
| 60Hz | 240 | 200 | 144 | 120 | 100 | 72 | 60 | 50 | 36 | 30 | 24 | 20 | 18 | 15 | 12 | 10 | |||
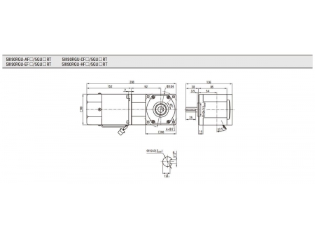
| 5IK90RGU-AF 5IK90RGU-EF 5IK90RGU-CF 5IK90RGU-HF | 5GU()RC 5GU()RT | Akzeptieres Drehmoment | 50Hz | 3.55 | 4.26 | 5.92 | 7.10 | 8.52 | 11.8 | 14.2 | 15.3 | 20.0 | 20.0 | 20.0 | 20.0 | 20.0 | 20.0 | 20.0 | 20.0 |
| 60Hz | 2.86 | 3.44 | 4.77 | 5.73 | 6.87 | 9.54 | 11.5 | 12.4 | 17.2 | 20.0 | 20.0 | 20.0 | 20.0 | 20.0 | 20.0 | 20.0 | |||
L1=65.5mm
Motoreigenschaften
| Modell | Ausgangsleistung W | Spannung V | Frequenz Hz | Drehzahlbereich r/min | Akzeptieres Drehmoment | Anlaufmoment mN.m | Strom A | Kondensator μF | |
| 1200r/min m N.m | 90r/min mN.m | | 90 | 1ph 100 | 50 | 90~1350 | 710 | 230 | 405 | 1.55 | 25.0 |
| 60 | 90~1650 | 260 | 1.85 | ||||||
| | 90 | 1ph 110 | 60 | 90~1650 | 710 | 260 | 410 | 1.40 | 20.0 |
| 1ph 120 | 1.45 | ||||||||
| | 90 | 1ph 220 | 50 | 90~1350 | 710 | 230 | 410 | 0.72 | 5.0 |
| 1ph 230 | 0.70 | ||||||||
| | 90 | 1ph 220 | 60 | 90~1650 | 710 | 260 | 410 | 0.71 | 5.0 |
| 1ph 230 | 0.75 | ||||||||
Getriebemotor - DrehmomentübersichtAkzeptierte Drehmomenteinheit: N.m
| Übersetzungsverhältnis | 3 | 3.6 | 5 | 6 | 7.5 | 9 | 10 | 12.5 | 15 | 18 | 20 | 25 | 30 | 36 | 40 | 50 | 60 | 75 | 90 | 100 | 120 | 150 | 180 | 200 | |
| r/min | 50Hz | 500 | 417 | 300 | 250 | 200 | 166 | 150 | 120 | 100 | 83 | 75 | 60 | 50 | 41 | 37 | 30 | 25 | 20 | 16 | 15 | 12.5 | 10 | 8.3 | 7.5 |
| 60Hz | 600 | 500 | 360 | 300 | 240 | 200 | 180 | 144 | 120 | 100 | 90 | 72 | 60 | 50 | 45 | 36 | 30 | 24 | 20 | 18 | 15 | 12 | 10 | 9 | |
L1=65.5m
Anwendungen
- Lebensmittel- und Getränkeindustrie: Würstchengrill, Abdichtungsmaschinen für chinesischen Milchtee, Eismaschinen, automatische Teeröster, Fleischwölfe.
- Verpackungsmaschinen: Schachtelverschließer, Verpackungsmaschinen (für Kraftpapier).
- Halbleiter Herstellung: Präzise Handhabung und Montage von elektrischen Werkstücken.
- Akkuherstellung: Bearbeitungssysteme für Lithium-Ion-Akkus.
- Logistik: Fördersysteme für Lagerlogistig.
- Druck und Bindung: Druckmaschinen für Kunststoffbecher, Industriedrucker, Papier-Handlingsysteme.
- Holzbearbeitungsmaschinen: Biegemaschinen, Sägemaschinen, automatische Produktionslinien zur Holzbearbeitung.
- Textilindustrie: Textilproduktionsmaschinen.
- Viehbestand-Kontrolle: Entmistungssysteme, Schweinefarm-Ausrüstung, Futtersysteme.
- Inspektionssysteme: Prüfgeräte und Inspektionsmaschinen.
- Entstaubungsanlagen: Industriefähige Entstaubungsanlagen.
- Spritzgießen: Hilfssysteme für Spritzgießmaschinen.
- Zugangskontrolle: Vereinzelungsanlagen, Gittertüren.
Zhongda wurde 1998 gegründet und ist zu einem führenden chinesischen Unternehmen für Forschung, Produktion, Verkauf und Kundenbetreuung im Sektor für Getriebemotoren, Planetengetriebe, Motortreiber, u.v.m. geworden. Wir haben ein gemeldetes Kapital von 104 Mio. Yuan (ca. 15Mio. Euro), 9 Tochterfirmen und über 1800 zuverlässige Mitarbeiter*innen. Im August 2017 haben wir unseren Börsengang an der Shenzhen-Börse (Shenzhen Stock exchange) gewagt und haben folgenden Aktiencode: 002896.
Verwandte Produkte
Nachricht hinterlassen
Andere Produkte
Aktuellste
Andere Produkte
Video