Rillenkugellager mit Ringnut
Kostenvoranschlag erhalten
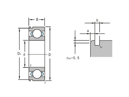
Rillenkugellager mit Ringnut können mit einem Sprengring befestigt werden. Bei der Befestigung wird das Kugellager mit dem Sprengring am Gehäuse befestigt. Besonders, wenn wenig Platz vorhanden ist, sind Ringkugellager die passende Wahl. Falls spezifische Anforderungen vorhanden sind, z.B. Kombinationen, Lagerschilde, Dichtungen und Sprengringnut, können wir auch Sonderanfertigungen vornehmen.
Verwandte Produkte
Nachricht hinterlassen
Andere Produkte
Aktuellste
Andere Produkte
Video

