Hermetische Durchführung für 12-24V Klimakompressoren im Auto
Kostenvoranschlag erhalten
Diese Durchführung wird insbesondere im 12-24V elektrischen Kompressor verwendet, der hermetische Dichtung, elektrische Isolierung fordert und hohen Druckbelastungen widerstehen muss, während die elektrische Verbindung stabil erzeugt wird.
Materialien:
Hauptteil: C45
Stift: C45 oder 446SS Kupferkern, Stift hoher Leistung
Glas: Unter hoher Temperatur geschmolzenes Glas
Keramik: 99#
- Gute Isolierung: 500 VDC bei statischer Prüfung, die Isolierung ist mehr als 5000MΩ
- Luftdichtigkeit: Die Luftdichtigkeit bleibt bei 2.5MPa
- Hohe Spannungsfestigkeit: Mehr als 2000VAC, Leckstrom ist weniger als 0.5 mA
- Korrosionsbeständigkeit: Erreicht dem Salzsprühnebeltest GB/T2423.17 nach dem 8. und höherem Niveau
- Widerstandsfähig gegen unterschiedliche Kühlmittel: R114a, R410a, R22 und CO2
- Widerstandsfähig gegen den Kälte- und Hitzeschock: Funktioniert vom -40 bis zum 300 Grad Celsius
- 1. Güteraufnahme
- 2. Wareneingangsprüfung
- 3. Ätzen des Stifts
- 4. Ölentfernung des Hauptteils
- 5. Zusammenbauen und Sintern
- 6. Luftdichtheitsprüfung
- 7. Chemische Vernickelung
- 8. Schweißen des Lötstücks
- 9. Oberflächenbehandlung mit Silizium
- 10. Elektrische Leitfähigkeit prüfen
- 11. Kontrolle des Aussehens
- 12. Qualitätsprüfung
- 13. Packen
- 14. Lieferung
Oberflächenbehandlung:
Mit unserer umweltfreundlichen chemischen Vernickelung, nämlich stromloser Nickelabscheidung, enthält die Nickelschicht keine gefährlichen Stoffe wie Quecksilber, Blei, Kadmium und sechswertiges Chrom, was die EU-Standards erreicht und die SGS-Umweltprüfung besteht, und die Plattierungsdicke bleibt bei 3-5 μm.
- Korrosionsbeständigkeit: Gemäß den ISO9227-2017 Teststandards muss die rostige Fläche nach einem zwölfstündigen 5% Salzsprühnebeltest unter 5% der Gesamtfläche bleiben.
- Standards beim Salzsprühnebeltest: GB/T2423.17,IEC60068-2-11,ISO4628-3
In den folgenden Tabellen werden alle Modelle vom hermetischen Durchführungen für 12-24V Klimakompressoren im Auto gezeigt, die wir zurzeit herstellen.
| Modell | Dicke des Hauptteils | Entfernung zwischen Stiften | Außendurchmesser des Stifts | Länge des Stifts | Entfernung zwischen Ösen | Verbindung der Motordurchführung | Verbindung der Steuerungsdurchführung | Oberflächenbehandlung | Maximal-strom |
| SC-4-84 | 5mm | 15mm | Φ5.5mm | 42.5mm | 62mm | M5 Schraubgewinde | M5 Schraubgewinde | Chemische Vernickelung | 60A |
| Modell | Dicke des Hauptteils | Entfernung zwischen Stiften | Außendurchmesser des Stifts | Länge des Stifts | Entfernung zwischen Ösen | Verbindung der Motordurchführung | Verbindung der Steuerungsdurchführung | Oberflächenbehandlung | Maximalstrom |
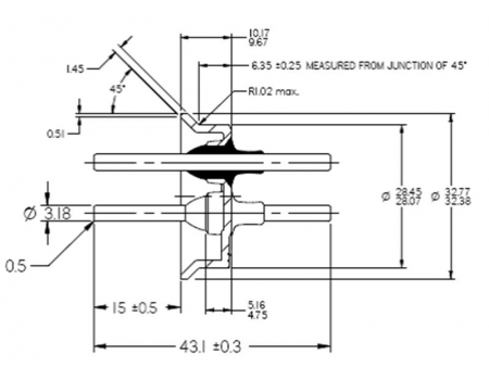
| SC-1-GY00C | 1.45mm | 11.66mm | Φ3.18mm | 43.1mm | Sprengring | Direktes Einstecken | Direktes Einstecken | Chemische Vernickelung | 60A |
| Modell | Dicke des Hauptteils | Entfernung zwischen Stiften | Außendurchmesser des Stifts | Länge des Stifts | Entfernung zwischen Ösen | Verbindung der Motordurchführung | Verbindung der Steuerungsdurchführung | Oberflächenbehandlung | Maximalstrom |
| SC-4-27C | 4.75mm | 14mm | Φ3.18mm | 32.5mm | Sprengring | Direktes Einstecken | Direktes Einstecken | Chemische Vernickelung | 60A |
| Modell | Dicke des Hauptteils | Entfernung zwischen Stiften | Außendurchmesser des Stifts | Länge des Stifts | Entfernung zwischen Ösen | Verbindung der Motordurchführung | Verbindung der Steuerungsdurchführung | Oberflächenbehandlung | Maximalstrom |
| SC-4-85 | 4.5mm | 12mm | Φ5.0mm | 43mm | 51mm | Direktes Einstecken | M5 Schraubgewinde | Chemische Vernickelung | 60A |
| Modell | Dicke des Hauptteils | Entfernung zwischen Stiften | Außendurchmesser des Stifts | Länge des Stifts | Entfernung zwischen Ösen | Verbindung der Motordurchführung | Verbindung der Steuerungsdurchführung | Oberflächenbehandlung | Maximalstrom |
| SC-4-96104 | 4mm | 12mm | Φ5.0mm | 52mm | 51mm | M5 Schraubgewinde | M5 Schraubgewinde | Chemische Vernickelung | 60A |
| Modell | Dicke des Hauptteils | Entfernung zwischen Stiften | Außendurchmesser des Stifts | Länge des Stifts | Entfernung zwischen Ösen | Verbindung der Motordurchführung | Verbindung der Steuerungsdurchführung | Oberflächenbehandlung | Maximalstrom |
| SC-1-635I | 1.45mm | 15.12mm | Φ3.18mm | 43.1mm | Schweißung | Direktes Einstecken | Bimetall | Chemische Vernickelung | 60A |
| Modell | Dicke des Hauptteils | Entfernung zwischen Stiften | Außendurchmesser des Stifts | Länge des Stifts | Entfernung zwischen Ösen | Verbindung der Motordurchführung | Verbindung der Steuerungsdurchführung | Oberflächenbehandlung | Maximalstrom |
| SC-4-45 | 4.75mm | 14mm | Φ5.0mm | 32.5mm | Sprengring | M5 Schraubgewinde | M5 Schraubgewinde | Chemische Vernickelung | 60A |
| Modell | Dicke des Hauptteils | Entfernung zwischen Stiften | Außendurchmesser des Stifts | Länge des Stifts | Entfernung zwischen Ösen | Verbindung der Motordurchführung | Verbindung der Steuerungsdurchführung | Oberflächenbehandlung | Maximalstrom |
| SC-1-78SC | 1.45mm | 11.66mm | Φ3.18mm | 40mm | Schweißung | Direktes Einstecken | Bimetall | Chemische Vernickelung | 60A |
| Modell | Dicke des Hauptteils | Entfernung zwischen Stiften | Außendurchmesser des Stifts | Länge des Stifts | Entfernung zwischen Ösen | Verbindung der Motordurchführung | Verbindung der Steuerungsdurchführung | Oberflächenbehandlung | Maximalstrom |
| SC-4-HQ00C | 4.0mm | 12mm | Φ3.18mm | 49.3mm | 51mm | Direktes Einstecken | Direktes Einstecken | Chemische Vernickelung | 60A |
| Modell | Dicke des Hauptteils | Entfernung zwischen Stiften | Außendurchmesser des Stifts | Länge des Stifts | Entfernung zwischen Ösen | Verbindung der Motordurchführung | Verbindung der Steuerungsdurchführung | Oberflächenbehandlung | Maximalstrom |
| SC-4-46M5 | 4.0mm | 12mm | Φ5.0mm | 42.5mm | 53mm | M5 Schraubgewinde | M5 Schraubgewinde | Chemische Vernickelung | 60A |
| Modell | Dicke des Hauptteils | Entfernung zwischen Stiften | Außendurchmesser des Stifts | Länge des Stifts | Entfernung zwischen Ösen | Verbindung der Motordurchführung | Verbindung der Steuerungsdurchführung | Oberflächenbehandlung | Maximalstrom |
| SC-4-3.2M4 | 4.0mm | 12mm | Φ5.0mm | 49.3mm | 51mm | Φ3.2 Direct Insertion | M4 Schraubgewinde | Chemische Vernickelung | 60A |
| Modell | Dicke des Hauptteils | Entfernung zwischen Stiften | Außendurchmesser des Stifts | Länge des Stifts | Entfernung zwischen Ösen | Verbindung der Motordurchführung | Verbindung der Steuerungsdurchführung | Oberflächenbehandlung | Maximalstrom |
| SC-1-70C | 1.5mm | 11.66mm | Φ3.18 mm | 36.5mm | Φ3.2 Direct Insertion | Wire ear connection | Chemische Vernickelung | 60A |
Zugehörige Namen
Hermetische Durchführung, hermetische Steckverbinder, Kompressor-Durchführung, Glas-Metall-Durchführung
Verwandte Produkte
Nachricht hinterlassen
Andere Produkte
Aktuellste
Andere Produkte
Video

